
メールでご発注希望の方は発注書を添付して下記メールアドレス宛に
お名前・会社名・住所・電話番号を明記の上、ご連絡ください。
本商品に関連する見積書が 0 件あります。
現在 0名 の方がお気に入りに登録しています。 お気に入りに登録する



【11000円未満】(ID:42) 商品金額: 1円 ~ 10,999円 ※送料別途商品は含めない ※送料無料商品は含めない
【11000円以上】(ID:43) 商品金額: 11,000円 ~ ※送料別途商品は含めない ※送料無料商品は含めない
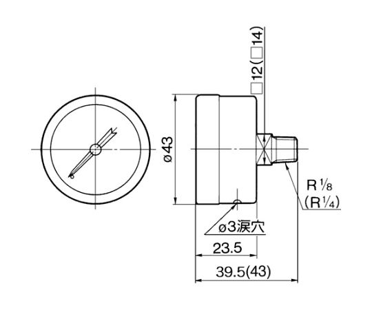
【特徴】ケースにステンレスを使用しています。仕様【仕様】原産国:日本発注コード:103-4599荷姿サイズ:123×158×94mm 150 g [荷姿サイズについて]
更新日2025年10月17日/登録日2024年10月06日
見つかりません。
見つかりません。
見つかりません。
件数:0件
件数:0件
件数:0件